Home
About Us
List Of Experiments
Contact Us
Feedback
Expt 2: Characterization of Laminar Premixed Flame using Chemiluminescence Sensor
Aim
Intro
About Exp
Results
Conclusions
Precautions
FAQs
References
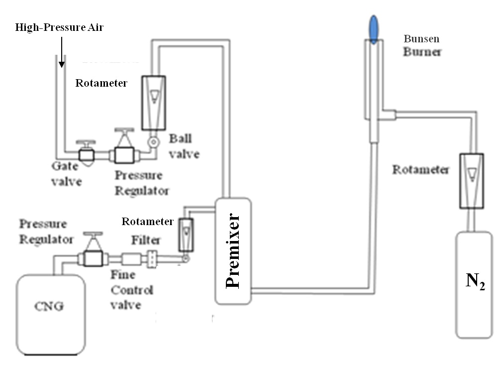
Experimental Setup
Rotameters are employed to measure the flow rate of fuel and air supplied to the burner.
The supply air and fuel (CNG) are controlled through a fine control needle valve, fitted just before the rotameters.
Care should be taken to calibrate the measuring equipments before using in the experimental setup.
While mounting the rotameters, ensure their alignment with the help of sprit level.
Chemiluminescence Sensor
Experimental Procedure
Open the air inlet valve.
Set the desired pressure in the inlet pressure regulator.
Fix CNG fuel flow rate.
Now open the needle valve and set the desired air flow with the help of rotameter to obtain the specified equivalence ratio.
Now ignite the mixture at the burner exit.
Wait for sometime till no further changes in the flame shape is observed.
© Virtual Combustion and Atomization Lab, IIT Kanpur